我們常常將海水中CO2的有效壓力(fCO2)與覆蓋海洋表層大氣中CO2的有效壓力的差值即△fCO2作為海洋與大氣交換CO2的熱力學驅動力。通量F表示為:F=k×s×△fCO2,這里k表示氣體傳輸速率是風速的函數;s表示溶解度是海水溫度和鹽度的函數;fCO2直接與CO2的分壓即pCO2相關。然而自然界中,海水與大氣進行CO2交換的平衡狀態會因風速、海水溫度和鹽度等因素不斷發生變化,從而很難精確測量海水與大氣交換CO2的通量。然而由General Oeanics研發的8050型走航式二氧化碳檢測系統擁有足夠的時間和空間分辨率完成這項工作。
8050型走航式二氧化碳監測系統用來自動測量表層二氧化碳分壓(pCO2)和大氣pCO2。同時也可以外接意大利IDRONAUT公司OCEAN SEVEN 315 CTD船用走航式多參數水質儀,監測表層海水的電導率、溶解氧、PH值、溫度、ORP和壓力(計算鹽度)等環境參數。
系統可以用于船舶上走航式測量,也可以用于各種海上平臺。該系統可以實現全自動運行,其主要組件包括:
◎平衡器:將海水中溶解態的CO2以氣體的形式釋放出來,氣室頂部有一個噴嘴
◎紅外分析儀(可用戶自己提供):用于測量平衡器中釋放出來的氣態CO2的濃度
◎整套系統的閥門和泵,用于控制和監測海水的流動、平衡器、海洋上空大氣以及CO2標氣
◎衛星通信箱,進行GPS定位,大氣壓力數據測量,以及衛星數據的傳輸
◎筆記本電腦,電腦接口和軟件,控制閥和泵并記錄數據(壓力,溫度,水流,分析儀響應,日期,時間和位置)
系統組成
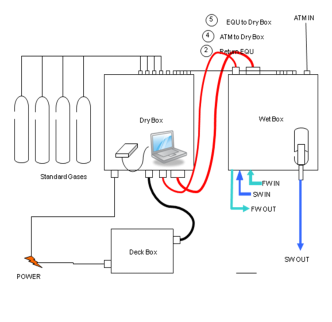
系統分為4個密閉箱體:干箱(Dry Box)、濕箱(Wet Box)、衛星通信箱(Satellite Deck Box)和激光分析儀。
◎ 干箱中放置電控閥(控制流過分析儀的氣體)、氣流傳感器、計算機和固態繼電器的接口以及8個氣體接口。每個接口具有一個針形閥,用于調節氣體流速。三路電磁閥控制氣體到分析室內(平衡上部的氣室)。干箱與其他兩個箱之間的通訊采用RS485模塊和電纜。
◎ 濕箱中包含主副平衡器、電驅動閥、壓力計、可調節閥門、循環水過濾器、水流傳感器、氣壓計、溫度探頭、冷凝單元、兩個Naphion干燥管、三個空氣泵。后進入濕盒中,海水進入濕盒后,通過可重復使用的過濾器(可使用淡水自動沖洗)。過濾器后面有一個可調的閥門,可控制水樣進入到平衡器內。氣體與平衡器排氣孔周圍的空氣交換,保證了氣體中的CO2濃度與主氣室內的濃度一致。氣壓計和溫度傳感器內置在主平衡器中。海水靠重力排出濕箱。
濕箱中的一個空氣泵將氣體從主平衡器的頂部氣室排出并使氣體通過冷凝器、Naphion干燥管,然后進入二氧化碳分析儀。另一個泵從外部吸入空氣,并推動空氣通過冷凝器。之后氣流被分成兩股,一股流向通風室,一股流向干燥管并進入CO2分析儀。通風室經過干燥的空氣在由第三空氣泵的作用下,又反向流過干燥管。
◎ 衛星通信箱可適應多種氣候,含有銥星衛星通信的調制解調器、高精度氣壓計、電源和數據通訊模塊。數據通信模塊和一個GPS相連,一個10芯電纜連接衛星通信箱和干箱(標配為25m的電纜;電纜最長可達1000m)。
一個艙壁管接頭用于通過Gill壓力孔與氣壓計相連接(標配不提供壓力孔,如需要請說明)。
◎ 激光分析儀使用美國Picarro公司G2301型激光分析儀,該款分析儀較紅外分析儀操作更加方便,數據更穩定,可靠性更高。
◎ 外形尺寸
|
|
長(cm) |
寬(cm) |
高(cm) |
|
干箱 |
61 |
61 |
25.4 |
|
濕箱 |
61 |
61 |
25.4 |
|
衛星通信箱 |
35.6 |
26.7 |
20.4 |


系統連接示意圖
系統選擇配置的部件
◎ 船只穿壁海水進樣閥門管道是一套被Lloyd認證的水下直線型、自容式裝置,該裝置的所有暴露部件都是由塑料或不銹鋼材料制造的。如果發生災難性故障時,一個截流裝置(含繼電器)將關閉外部采集海水的抽水機。在距離殼體幾英寸下,一個取樣裝置采集海水(參見進樣管道裝置的示意圖)。用戶可以在取樣裝置上選擇安裝一個溫度傳感器(即Idronaut的多參數系統的遙測溫度傳感器,測量海洋表層的溫度)和一個氯氣釋放器(功能:抑制微生物的生長)。
◎OCEAN SEVEN 315船用走航式多參數水質儀用于對淡水或海水環境的長期監測及數據收集。儀器可配備兩個溫度計:主要的一個溫度計位于內部,用來測量流過電導池水體的溫度,從而計算鹽度;另一個是遙測的溫度計,遙測距離最大可達15m,可選擇安裝,位于靠近船體進水口的地方,用來精確測量水溫。整套設備安裝在一個緊湊的防水的不銹鋼單元內,測量室由透明的丙烯酸制成,非常容易清洗。測量室中的水體只需250mL,保證了極短的響應時間。內置一個壓力傳感器,用來準確測量流量。所有的傳感器都是由IDRONAUT制造,并遠銷世界各地。該系統可以以高達20Hz的頻率實時測量、讀取、存儲和數據。通訊端口為RS232C串行端口,也可安裝RS485或藍牙通訊端口。其他兩個可選的模擬端口可外接熒光和濁度傳感器。內置的512 MB內存最多可存儲4,000,000組數據。
|
參數 |
測量范圍 |
精度 |
分辨率 |
時間常數 |
|
壓力 |
0~10dbar |
0.05%滿量程 |
0.002%滿量程 |
50ms |
|
溫度 |
-3~50℃ |
0.003℃ |
0.002℃ |
50ms |
|
電導 |
0~70ms/cm |
0.003ms/cm |
0.0003ms/cm |
50ms |
|
溶解氧 |
0~50ppm |
0.1ppm |
0.01ppm |
3s |
|
0~500%sat |
1%sat |
0.1%sat |
3s |
|
|
pH |
0~14pH |
0.01pH |
0.001pH |
3s |
|
氧化還原電位 |
+/-1000mV |
1mV |
0.1mV |
3s |
|
遙測溫度 |
-3~50℃ |
0.01℃ |
0.002℃ |
3s |
|
葉綠素 |
5,15,50,150 μg/l自動選擇 |
|
靈敏度:1.0,0.33, 0.1,0.033V/μg/l |
|
|
濁度 |
25,125,500,750FTU/NTU自動選擇 |
0.05,0.25,1,5FTU/NTU |
0.005,0.025,0.1,0.5FTU/NTU |
|
在海水測量中,運用聯合國教科文組織(UNESCO)的公式通過計算測量得到的參數,亦可得到以下數據:鹽度,聲速,水密度,溶解氧(ppm)。
國內用戶
嘉庚號實物圖

向陽紅3號實物圖

東方紅3號實物圖
外形尺寸
|
|
長(cm) |
寬(cm) |
高(cm) |
|
干箱 |
61 |
61 |
25.4 |
|
濕箱 |
61 |
61 |
25.4 |
|
衛星通信箱 |
35.6 |
26.7 |
20.4 |